TOP
首页 > 新闻动态
2026-01-22
随着5G、云计算、AI技术的爆发,数据中心光网络流量以每年30%以上的速度增长,对光信号的精准控制、快速切换提出了更高要求。光开关作为光网络中的“智能指挥官”,承担着光链路切换、故障冗余、测试调控等核心任务,其性能直接决定了光网络的稳定性与效率。
然而,市场上光开关型号繁杂,多模/单模、不同波长、电压规格的产品差异显著,许多企业在选型时常常陷入“参数迷茫”。科毅光通信近期为四川新客户定制的D1×2多模3V锁定光开关(型号:FT-Y4-OSW-D1X2-850-3L-M1-09-05-LP),凭借850nm优化波长、3V锁定安全设计、低损耗性能,成为数据中心、光纤传感场景的优选产品。
在传统电网络中,交换机通过电信号实现链路切换;而在光网络中,这一任务由光开关完成。与电信号相比,光信号具有传输速率快、抗干扰能力强、带宽大的优势,但也面临“无法直接用电控设备切换”的难题——光开关正是解决这一问题的核心元器件。
具体来说,光开关的核心使命包括三大场景:
1. 故障冗余备份:当某条光链路出现故障时,光开关可在10ms内切换至备用链路(如本文产品切换时间≤10ms),避免数据传输中断。以数据中心为例,若核心服务器光链路中断1秒,可能导致上万笔业务失败,而光开关的快速切换能将故障影响降至最低。
2. 动态资源调度:在云计算场景中,不同时间段的算力需求波动较大,光开关可根据流量变化,动态调整光链路分配,提升带宽利用率。例如,夜间算力需求低时,可关闭部分冗余链路;白天高峰期则快速开启,实现“按需分配”。
3. 设备测试调控:在光网络维护中,工程师需对不同光模块、光纤链路进行性能测试,光开关可替代人工插拔光纤,实现多链路自动切换,测试效率提升5-10倍。
而本文聚焦的D1×2多模3V锁定光开关,正是针对这些场景设计——1×2结构支持“1路输入、2路输出”的灵活切换,多模设计适配短距离高带宽传输(如数据中心内部链路),3V锁定功能则解决了“意外断电导致链路中断”的行业痛点。
许多客户在选型时,容易陷入“只看价格不看参数”的误区,导致产品与场景不匹配。下面结合广西科毅这款光开关的实测数据,为您解读核心参数的“隐藏价值”。
光学性能是光开关的“生命线”,核心看三个参数:
插入损耗(IL):指光信号通过开关后的功率衰减,数值越小越好。本文产品实测插入损耗≤0.5dB(典型值0.3dB),远低于行业平均的0.8dB。这意味着,在1000米光纤传输中,光功率损失仅为3%,确保信号传输距离与清晰度。
隔离度(Isolation):指未选中链路的光信号泄露程度,数值越大越好。产品隔离度≥40dB,相当于泄露的光信号仅为原信号的1/10000,可有效避免不同链路间的信号干扰,尤其适合高精度光纤传感场景(如石油管道泄漏检测)。
回波损耗(RL):指光信号反射回输入端的程度,≥35dB的回波损耗可减少反射信号对光源的干扰,保护激光发射器寿命。

图1 D1×2多模3V锁定光开关光学性能参数表
除了性能,结构设计直接影响安装与兼容性:
接头类型(LC/PC):LC接头是数据中心主流选择,体积仅为SC接头的1/2,可提高设备端口密度;PC(物理接触)研磨工艺确保接头插入损耗低、重复性好,多次插拔后性能稳定。
套管规格(0.9mm):0.9mm紧套光纤比2.0mm/3.0mm松套光纤更纤细,适合空间狭小的设备内部布线,同时具备一定的抗弯折能力,安装时不易断裂。
引线长度(0.5米):0.5米引线可灵活适配设备内部连接,若客户需要更长引线(如1米、2米),广西科毅可提供定制服务(官网:www.coreray.cn可咨询定制)。
工业场景对设备环境适应性要求极高:
宽温工作范围(-40℃~+85℃):无论是北方寒冷地区的户外基站,还是南方高温的数据中心机房,产品均可稳定工作,不会因温度变化导致性能波动。
机械寿命(≥10000次):按每天切换10次计算,可连续使用2.7年,远超行业平均的5000次寿命,降低更换成本。

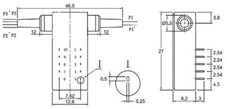
图2 D1×2多模3V锁定光开关封装尺寸结构图
许多客户在选购光开关时,常因“参数匹配错误”导致返工。
结合广西科毅10余年的客户服务经验,总结出3个选型原则:
若用于数据中心:优先选多模(短距离)、低损耗(≤0.5dB)、快速切换(≤10ms)的产品,如本文D1×2多模3V锁定光开关;
若用于长途通信:需选单模(长距离)、1310nm/1550nm波长的产品;
若用于工业控制:重点看宽温范围(-40℃~+85℃)、高隔离度(≥40dB)。
电压规格:普通光开关多为5V,而本文产品为3V锁定型,适合低功耗设备(如便携式测试仪器),若忽略电压需求,可能导致设备无法供电;
锁定功能:若设备需要长期稳定工作,务必选择“锁定型”光开关(如3V锁定),避免断电后链路状态变化;普通非锁定型适合短期测试场景。
不同客户的设备接口、安装空间、性能需求存在差异,标准化产品可能无法完全适配。广西科毅光通信可提供“全维度定制”:
波长定制:850nm/1310nm/1550nm等;
接头定制:LC/SC/FC/ST等;
结构定制:引线长度、套管规格、安装支架等;
性能定制:更高隔离度(≥50dB)、更快切换时间(≤5ms)等。
广西科毅光通信科技有限公司(www.coreray.cn)始终以“技术创新、品质可靠”为核心,为客户提供光开关、光衰减器、光纤连接器等全系列光通信产品。
公司优势:
1. 技术实力:拥有10余人的研发团队,核心成员来自华为、中兴等知名企业,具备自主设计、测试、生产能力,可快速响应客户定制需求;
2. 质量管控:建立从原材料采购到成品出厂的全流程质控体系,每只光开关均通过高低温循环、振动、插拔寿命等20余项测试,确保出厂合格率100%;
3. 服务保障:提供“7×24小时技术咨询+1年质保+终身维护”服务,若产品出现质量问题,48小时内提供解决方案,避免客户因设备故障影响业务。
在光网络高速发展的今天,选择一款“适配场景、性能可靠”的光开关,是保障光网络稳定运行的关键。广西科毅这款D1×2多模3V锁定光开关,凭借850nm优化波长、低损耗高隔离、3V锁定安全设计,成为数据中心、光纤传感等场景的理想选择。
如果您正在寻找相关产品,欢迎访问广西科毅光通信官方网站(www.coreray.cn)了解更多产品详情,或联系我们的技术顾问获取专业支持!
择合适的光开关等光学器件及光学设备是一项需要综合考量技术、性能、成本和供应商实力的工作。希望本指南能为您提供清晰的思路。我们建议您在明确自身需求后,详细对比关键参数,并优先选择像科毅光通信这样技术扎实、质量可靠、服务专业的合作伙伴。
(注:本文部分内容由AI协助习作,仅供参考)