TOP
首页 > 新闻动态
2026-01-19
在工业生产、医疗器械、军事科技等领域,高压强电流环境下的开关控制一直是技术难点。光开关作为核心控制元件,其性能直接决定了整个系统的稳定性与安全性。科毅光通信深耕光通信与固态开关领域多年,自主研发的光纤触发高压固态开关,凭借光纤传输的抗干扰优势、FPGA的高速响应能力及IGBT串联的高压适配性,成功解决了传统固态开关在高压场景下的诸多痛点,成为多行业高压控制场景的优选解决方案。
随着工业智能化、医疗设备高端化、军事装备精密化的发展,对耐高压、耐大电流的固态开关需求日益迫切。无论是食品非热加工中的高压脉冲处理、医疗器械中的精准能量控制,还是军事雷达的大功率信号发射、材料处理中的高压等离子体应用,都需要性能稳定、响应迅速、安全可靠的开关设备。
半导体功率器件IGBT(绝缘栅双极型晶体管)兼具MOSFET的高速开关特性与GTR的高耐压、大载流优势,成为固态开关的核心器件。但在高压场景中,单只IGBT的耐压等级往往难以满足需求,因此行业普遍采用多只IGBT串联的方式提升整体耐压性。然而,这一方案面临两大核心痛点:
一是电压分布不均。由于IGBT芯片内部结构存在细微差异,再加上触发信号传输的延时误差,串联后的多只IGBT无法实现完全同步的通断,导致部分器件承受的电压远超额定值,严重影响使用寿命,甚至引发设备损坏。
二是信号传输干扰与隔离不足。传统固态开关多采用电缆传输控制信号与故障信号,在高压强电流环境下,容易受到电磁干扰,导致信号失真;同时,控制端与高压电路之间缺乏有效的电气隔离,存在安全隐患。
此外,传统解决方案要么通过复杂的栅极驱动控制实现信号同步,成本高、维护难;要么通过简单的缓冲电路实现电压平衡,可靠性差、适配场景有限。这些问题都制约了高压固态开关的广泛应用,亟需一款兼顾性能、稳定性与经济性的创新产品。
二、科毅光纤触发高压固态开关核心架构解析
广西科毅光通信研发的光纤触发高压固态开关,通过模块化设计与核心技术创新,针对性解决了传统产品的痛点。产品整体架构由六大核心部分组成,各组件协同工作,实现高压场景下的精准控制与安全保护。

图1 光纤触发高压固态开关结构框图
作为整个系统的能量供给单元,高压直流电源为开关电路提供稳定的工作电压。其正极与负载一端相连,负载另一端接入IGBT串联电路,最终通过最后一只IGBT的发射极连接电源负极,形成完整的高压回路,确保负载在稳定电压下运行。
采用Altera Cyclone IV EP4CE22F17型号FPGA芯片,是产品的“大脑”。该芯片的核心优势在于并行处理能力,能够同时完成驱动信号的生成与故障信号的检测,响应延时仅为纳秒级。这意味着在IGBT出现异常时,系统能在瞬间做出保护动作,避免器件损坏与电路故障扩大。
分为光纤驱动信号传输部分与光纤故障信号传输部分,是产品实现电气隔离与抗干扰的核心。其中:
• 光纤驱动信号传输部分由光纤发射模块A(型号HFBR-1414)与光纤接收模块A(型号HFBR-2412)组成。FPGA生成的电信号经光纤发射模块A转换为光信号,通过光纤传输至光纤接收模块A,再还原为电信号传输给IGBT驱动模块,实现驱动信号的无干扰传输。
• 光纤故障信号传输部分由光纤发射模块B(型号HFBR-1414)与光纤接收模块B(型号HFBR-2412)组成。当IGBT驱动模块检测到过流、短路等故障时,会生成故障电信号,经光纤发射模块B转换为光信号,传输至光纤接收模块B还原为电信号后反馈给FPGA,触发保护机制。
光纤传输的特性从根本上解决了传统电缆传输的电磁干扰问题,同时实现了控制端与高压强电流电路的完全电气隔离,大幅提升了系统的安全性与信号传输稳定性。
由若干只IGBT器件串联组成,是产品实现高压适配的核心结构。通过多只低耐压等级的IGBT串联,整体耐压等级得到倍数提升,能够满足不同高压场景的需求。同时,配合均压电路与同步驱动信号,确保每只IGBT在通断过程中承受的电压均匀分布,延长器件使用寿命。
与IGBT个数一一对应,采用集成驱动器M57962L。该驱动器内部集成2500V高隔离电压的快速光耦,采用双电源供电设计,能够确保IGBT的可靠开通与关断。更重要的是,其内置过流和短路检测功能,可实时监测IGBT的工作状态,一旦发现异常立即生成故障信号,为系统提供第一道安全保障。
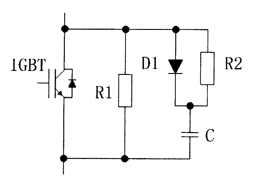
同样与IGBT个数一一对应,是解决串联IGBT电压分布不均的关键。该电路由静态均压电路与RCD缓冲电路组成,双重保障电压平衡:
• 静态均压电路:核心组件为高压电阻R1,通过电阻分压原理,在IGBT静态工作时确保各器件两端电压均匀。
• RCD缓冲电路:由高压电阻R2、二极管D1和电容C组成,在IGBT动态开关过程中,通过电容储能、二极管续流,吸收电压尖峰,避免单个IGBT承受瞬时高压。

图2 IGBT均压电路结构图
通过光纤传输控制信号与故障信号,控制端与高压强电流电路之间无直接电气连接,彻底杜绝了高压窜入控制端的安全隐患。同时,光纤传输不受电磁干扰、射频干扰的影响,即使在复杂的工业电磁环境中,也能确保信号传输的准确性与稳定性,这一优势在军事雷达、工业高频设备等强干扰场景中尤为重要。
FPGA控制系统的并行处理能力带来了纳秒级的响应延时,驱动信号的生成与故障信号的检测同步进行。当IGBT出现过流、短路等故障时,系统能在瞬间切断驱动信号,保护IGBT器件不被烧毁,同时避免故障扩大影响整个电路系统。这种实时保护能力,大幅提升了设备的运行可靠性,降低了维护成本。
静态均压电路与RCD缓冲电路的组合设计,从静态与动态两个维度解决了IGBT串联的电压不均问题。无论是稳态工作还是开关切换过程,每只IGBT两端的电压都能保持均匀分布,使得多只低耐压IGBT串联后能够稳定承受高电压,满足从几千伏到几十千伏的不同高压场景需求,且成本远低于单只高耐压IGBT器件。
产品采用模块化集成设计,电路板体积小、结构紧凑,便于安装与集成到各类设备中。同时,产品支持根据不同场景的电压、电流需求,灵活调整IGBT的串联个数与均压电路参数,适配食品非热加工、医疗器械、军事雷达、材料处理等多个领域的不同应用需求,通用性强。
相较于传统高压开关方案,该产品通过IGBT串联技术降低了对单只器件耐压等级的要求,核心组件均选用成熟可靠的标准化器件,无需定制化开发,有效控制了生产成本。同时,产品的高可靠性与长使用寿命,降低了用户的后期维护成本与设备更换频率,整体性价比优势显著。
广西科毅光通信的光纤触发高压固态光开关,凭借其卓越的性能,已在多个领域实现成熟应用:
在果汁、乳制品、肉制品等食品的非热杀菌处理中,高压脉冲电场技术是主流方案。该产品作为高压脉冲发生器的核心控制开关,能够精准控制高压脉冲的导通与关断,确保电场强度稳定,在杀灭微生物的同时保留食品的营养成分与口感,替代传统热力杀菌,提升食品品质。
在肿瘤治疗、碎石手术等医疗器械中,需要高压脉冲能量的精准释放。该产品的快速响应与精准控制能力,能够满足医疗器械对能量释放时机、强度的严格要求,同时电气隔离设计确保了患者与操作人员的安全,提升医疗器械的可靠性与安全性。
军事雷达的发射系统需要大功率、高频次的高压信号驱动。该产品的抗干扰能力与快速开关特性,能够适应雷达系统的强电磁环境与高频工作需求,确保雷达信号的稳定发射,提升雷达的探测精度与响应速度。
在等离子体喷涂、高压静电除尘、材料表面改性等材料处理工艺中,需要稳定的高压电源控制。该产品能够精准控制高压电路的通断,为材料处理提供稳定的能量供给,提升处理效果与产品质量,同时降低能耗与设备损耗。
在电解、电镀、高压试验等工业场景中,高压电源的稳定控制至关重要。该产品作为高压电源的核心开关元件,能够实现高压电路的可靠开关与故障保护,确保工业生产的连续性与安全性,降低生产事故发生率。
广西科毅光通信科技有限公司是一家深耕光通信与固态光开关领域的高新技术企业,专注于光开关、高压固态开关、光纤传输模块等产品的研发、生产与销售。公司拥有一支由资深工程师组成的研发团队,具备从核心技术研发到产品批量生产的完整能力,始终以“技术创新、品质至上”为核心理念,为客户提供定制化的解决方案。
公司自主研发的光纤触发高压固态开关,已通过多项技术认证与实际场景验证,产品性能达到行业先进水平。依托完善的销售与服务网络,公司为全国乃至全球客户提供及时的技术支持与售后服务,助力客户解决高压场景下的开关控制难题。
未来,科毅光通信将持续投入研发资源,深耕光开关与固态开关技术,拓展产品的应用场景与性能边界,为工业、医疗、军事、通信等领域的高质量发展提供更优质的产品与服务。
光纤触发高压固态开关作为高压场景下的核心控制元件,其性能直接决定了整个系统的稳定性、安全性与经济性。广西科毅光通信研发的光纤触发高压固态开关,通过光纤传输、FPGA控制、IGBT串联与均压电路等核心技术创新,成功解决了传统产品的痛点,为多领域高压场景提供了可靠的解决方案。
如果您正在寻找高压场景下的开关控制产品,或需要定制化的光开关与固态开关解决方案,欢迎访问广西科毅光通信官方网站(www.coreray.cn)了解更多产品详情,或联系我们的技术顾问获取专业支持!
择合适的光开关等光学器件及光学设备是一项需要综合考量技术、性能、成本和供应商实力的工作。希望本指南能为您提供清晰的思路。我们建议您在明确自身需求后,详细对比关键参数,并优先选择像科毅光通信这样技术扎实、质量可靠、服务专业的合作伙伴。
(注:本文部分内容由AI协助习作,仅供参考)