TOP
首页 > 新闻动态
2026-01-19
传统电光开关在实际应用中往往面临连接损耗大、耦合附加损耗高、开关功率高及响应时间慢等痛点,严重制约了光网络的升级迭代。我们科毅光通信(官网:www.coreray.cn)依托自主研发的技术,成功推出光子晶体光纤电光开关,从结构设计与材料选型上实现全方位突破,完美解决传统产品的技术瓶颈。
我们科毅光通信的光子晶体光纤电光开关以光子晶体光纤为核心载体,通过内置电极与波导的一体化设计,实现了性能的跨越式提升。其整体结构主要由光子晶体光纤、两个电极、波导及外接电压装置四部分组成,各组件协同工作,确保光信号的高效传输与快速切换。
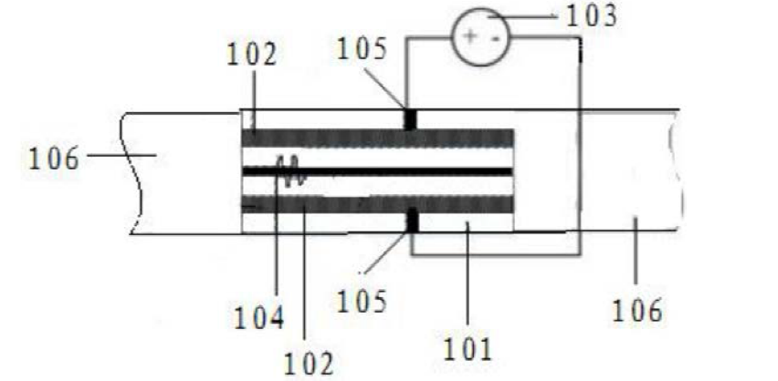
如图1所示,光子晶体光纤101作为整个开关的基础载体,电极102与波导均内置在其内部,避免了外部组件对接带来的损耗问题;外接电压装置103通过光子晶体光纤侧面的孔105与电极连接,形成稳定的控制通路。这种内置式结构设计,不仅简化了产品的整体体积,更从根本上降低了能量损耗与信号干扰。

图1 光子晶体光纤电光开关的结构示意图
波导系统:波导由光子晶体光纤的实芯纤芯104与填充在第一包层区气孔201中的液体材料组成。实芯纤芯确保光信号的基础传输效率,而第一包层区气孔则均匀分布在纤芯周围,填充的液体材料选用具有优异电光效应的液晶材料,其折射率可通过电场快速调节,为光信号的切换提供核心支撑。
电极结构:两个电极由填充在第二包层区气孔202中的低电阻导电金属材料(金或银)形成,以纤芯为中心呈对称分布,且第一包层区气孔恰好位于两个电极之间(如图2所示)。低电阻金属材料的选用可有效减少通电时的热量产生,对称分布设计则能确保电场均匀作用于液晶材料,提升开关的响应一致性。

图2 光子晶体光纤的端面结构示意图
连接通路:光子晶体光纤侧面设有两个专门的孔105,分别与两个电极一一对应,孔内填充高导电材料,将外接电压装置与电极稳定连接成通路。这种侧面开孔的设计既避免了对光纤端面传输性能的影响,又保证了电极与外部装置连接的可靠性。
光子晶体光纤的端面包层区气孔整体呈六边形分布(如图2-1所示),以纤芯104为中心构成多圈对称结构。其中,第一包层区气孔位于第二圈六边形,第二包层区气孔则位于第三圈至第六圈六边形(优选第四圈)。在制备过程中,通过对第二包层区气孔进行高压处理与熔融拉锥处理,使其膨胀形成更大的容纳空间(如图3所示),而周围包层区气孔逐渐塌缩,既保证了电极材料填充的充足性,又不影响整体结构的稳定性。

图3 膨胀的光子晶体光纤的端面结构示意图
材料是决定电光开关性能的核心因素之一,我们科毅光通信在光子晶体光纤电光开关的材料选型上经过多次试验优化,确保每一种材料都能充分发挥其功能优势。
电极采用金或银等低电阻导电金属材料,这类材料具有极高的导电性能,可在通电过程中减少能量损耗,同时降低热量产生。在光开关的长期运行中,低热量积累能有效避免材料老化速度加快,延长产品使用寿命,尤其适用于需要24小时连续工作的光网络环境。
波导中的液体材料选用具有显著电光效应的液晶材料,其最大特点是折射率可随外部电场变化快速调整。当外接电压装置施加不同电压时,液晶材料的分子排列发生改变,进而调节光信号的传输路径与相位,实现光开关的“开”“关”切换。与传统固体电光材料相比,液晶材料的响应速度更快,且调节范围更广,为光开关的快速响应提供了关键支撑。
选用实芯纤芯、六边形包层区气孔的光子晶体光纤作为载体,其独特的气孔排布结构能有效约束光信号在纤芯内传输,减少光泄漏。同时,光子晶体光纤与普通单模光纤的兼容性极强,在实际应用中可直接与单模光纤熔接,大幅降低连接损耗,解决了传统电光开关与光纤耦合时的适配难题。
光子晶体光纤电光开关的优异性能不仅依赖于合理的结构设计与优质材料,更离不开精密的制备工艺。我们科毅光通信依托先进的生产设备与成熟的工艺体系,实现了产品的标准化、规模化生产,具体制备流程如下:
首先将光子晶体光纤的两端分别与单模光纤106进行熔接,确保光信号在不同光纤之间的顺畅传输;随后在距离熔接点10μm处对单模光纤进行切断处理,保留少量单模光纤薄片作为后续开孔与材料填充的基础。这一步骤的关键在于控制熔接的精准度与切断的平整度,避免因接口不平整导致的传输损耗。
通过飞秒激光微加工技术对单模光纤薄片进行选择性开孔,精准定位第二包层区的两个气孔;对这两个气孔进行高压处理,使其内部充入高压气体;随后在微单元制备区域对高压处理后的气孔进行熔融拉锥处理,此时充有高压气体的气孔会膨胀形成更大空间,周围气孔则逐渐塌缩(如图2-2所示);最后向膨胀后的第二包层区气孔中填充金或银等金属材料,形成两个对称分布的电极。飞秒激光微加工技术的应用的,确保了开孔位置的精准度,而高压与熔融拉锥处理则为电极材料的充分填充提供了保障。
再次利用飞秒激光微加工技术,在单模光纤薄片上选择性打开两个第一包层区气孔;向气孔中填充液晶材料,由于第一包层区气孔直径极小,表面张力可有效防止液体材料流出;为进一步确保密封效果,可将该端再次与单模光纤熔接并切断,利用剩余的单模光纤薄片实现完全密封,避免液晶材料泄漏影响产品性能。
在光子晶体光纤的侧面打两个孔,分别与两个电极对齐,向孔中填充高导电材料;将外接电压装置通过导电材料与电极连接,形成完整的控制通路,最终完成光子晶体光纤电光开关的制备。整个制备过程中,每一步都经过严格的质量检测,确保产品的性能一致性与稳定性。
相较于传统定向耦合型、光纤布拉格光栅型等电光开关,我们科毅光通信的光子晶体光纤电光开关在核心性能上实现了全方位突破,具体优势如下:
以光子晶体光纤为载体,其与普通单模光纤的熔接损耗极低,解决了传统电光开关与光纤耦合时连接损耗大的问题。无论是在光网络的新建项目中,还是在现有网络的升级改造中,该产品都能快速适配现有光纤链路,无需额外增加适配器件,降低了工程建设成本。
电极与波导均内置在光子晶体光纤内部,避免了外部组件与光纤对接时产生的耦合附加损耗。传统集成波导与光纤的耦合附加损耗远高于全光纤器件,而本产品通过内置式设计,将耦合附加损耗降至最低,确保光信号在传输与切换过程中的能量损失最小化,提升了光网络的整体传输效率。
内置电极采用低电阻金属材料,且电极与波导的距离更近,电场作用效率更高,仅需较低的电压即可实现光信号的切换,大幅降低了开关功率。在大规模光网络中,大量光开关的低功率运行可有效减少整体能耗,符合绿色通信的发展趋势,为用户节省运营成本。
液晶材料的电光效应响应迅速,结合对称分布的电极设计与均匀的电场作用,产品的响应时间远快于传统电光开关。在光网络的路由切换、交叉连接等场景中,快速响应能力可确保光信号的无缝切换,避免数据传输中断,提升了光网络的可靠性与实时性。
性能指标 | 传统电光开关 | 我们科毅光子晶体光纤电光开关 |
连接损耗 | 较大 | 极低 |
耦合附加损耗 | 较高 | 极低 |
开关功率 | 高 | 低 |
响应时间 | 慢 | 快 |
适配性 | 较差,需额外适配器件 | 强,直接适配单模光纤 |
使用寿命 | 受热量影响,较短 | 低热量积累,更长 |
光子晶体光纤电光开关凭借其优异的性能,可广泛应用于光通信及相关领域的多个场景,为不同行业的光网络建设提供核心支撑:
在长途干线光网络、城域光网络中,用于光层路由选择与光交叉连接,实现不同节点之间的光信号快速切换,提升网络的灵活性与扩展性。尤其在新一代全光网络中,可满足大规模数据传输的需求,确保网络的高效稳定运行。
随着数据中心的算力需求不断提升,光互联已成为数据中心内部连接的主流方式。该产品可用于数据中心的光分插复用与光路调度,实现服务器之间、机柜之间的高速数据传输,降低数据延迟,提升数据中心的整体算力输出效率。
5G网络对传输速率、时延、可靠性提出了更高要求,光子晶体光纤电光开关可用于5G基站的回传与前传链路,实现光路的灵活调度与故障自愈,确保5G信号的稳定传输,支撑高清视频、物联网、工业互联网等5G应用的落地。
在光纤传感领域,如油气管道监测、电力线路监测、桥梁结构健康监测等场景中,该产品可用于传感信号的切换与路由,实现多监测点的轮流检测,提升传感系统的监测效率与覆盖范围,同时低损耗特性可确保传感信号的传输质量。
用于光网络的实时监控与维护,通过快速切换监测光路,实现对光网络各节点传输状态的实时监测,及时发现并定位故障,缩短故障修复时间,降低网络运维成本。
我们科毅光通信科技有限公司是一家专注于光通信器件研发、生产与销售的高新技术企业,致力于为全球客户提供高品质的光开关及相关解决方案。公司依托强大的研发团队,持续投入技术创新,成功攻克了光子晶体光纤电光开关的核心技术难题,。
在生产方面,公司拥有标准化的生产车间与先进的生产设备,建立了严格的质量管控体系,从原材料采购、生产加工到成品检测,每一个环节都遵循国际标准,确保产品的性能稳定与质量可靠。在服务方面,公司可为客户提供定制化解决方案,根据客户的具体应用场景与需求,优化产品参数与结构设计;同时配备专业的技术支持团队,为客户提供安装指导、技术咨询与售后维护等全方位服务,确保客户的使用体验。
如果您正在寻找低损耗、快速响应的电光开关产品,或者需要针对特定场景的光开关解决方案,欢迎访问我们科毅光通信官方网站【www.coreray.cn】,了解更多产品详情与技术资讯。我们将以专业的技术、优质的产品与完善的服务,与您携手共创光通信行业的美好未来。
在全光网络加速普及的背景下,电光开关作为核心器件的市场需求持续增长,对产品性能的要求也不断提升。我们科毅光通信的光子晶体光纤电光开关凭借专利技术加持,在连接损耗、耦合附加损耗、开关功率与响应时间等核心指标上实现了全方位突破,为光网络的升级迭代提供了有力支撑。
择合适的光开关等光学器件及光学设备是一项需要综合考量技术、性能、成本和供应商实力的工作。希望本指南能为您提供清晰的思路。我们建议您在明确自身需求后,详细对比关键参数,并优先选择像科毅光通信这样技术扎实、质量可靠、服务专业的合作伙伴。
如果您对开关产品有需求,或想了解更多光通信相关产品信息,访问广西科毅光通信官网www.coreray.cn浏览我们的光开关产品,或联系我们的销售工程师,获取专属的选型建议和报价!
(注:本文部分内容由AI协助习作,仅供参考)