TOP
PRODUCTS
首页 > 产品中心
产品特点
= 多达64个端口
= 低耗损、高可靠性
= 并行接口(TTL,RS485,RS232)
= 模块化设计
= 光路无环氧树脂
应用范围
= 环网
= 光纤网络远程监控
= 光纤元件测试
规格
参数 | 单位 | OSW-1×N | |
插入损耗 | dB | 1<N≤32 | 32<N≤64 |
Typ:0.5 Max:1.0 | Typ:1.0 Max:1.5 | ||
波长范围 | nm | 532-780,850-1310,1260~1660 | |
波长测试 | nm | 532/650/780/850/980/1300/1310/1490/1550/1650 | |
回波损耗 | dB | SM≥55、MM≥35 | |
串扰 | dB | ≥-70 | |
偏振相关损耗 | dB | ≤0.10 | |
波长相关损耗 | dB | ≤0.25 | |
消光比 | dB | ≥18 | |
温度相关损耗 | dB | ≤0.30 | |
重复性 | dB | ≤±0.02 | |
寿命 | cycle | 108 | |
可承载光功率 | mW | ≤1000 | |
切换时间 | ms | ≤10 (Sequence switch time of adjacent channel) | |
工作温度 | °C | -40~+70 | |
储藏温度 | °C | -40~+85 | |
工作电压 | V | 5 | |
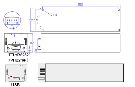
尺寸 | mm | 135X40X32 (N≤64) | |
尺寸

光路径
引脚
引脚 | I/O | 信号名称 | 描述 |
1 | 输入 | 重置 | TTL,低电平复位为通道0,高电平表示通道选择位有效。 |
2 | 输入 | D0 | TTL,D0为低,D4为高,例:00000b=1CH;11111b=32CH |
3 | 输入 | D1 | |
4 | 输入 | D2 | |
5 | 输入 | D3 | |
6 | 输入 | D4 | |
7 | 输出 | 就绪 | TTL,就绪(高=未就绪,低=就绪) |
8 | 输出 | 错误 | TTL,错误(高=错误,低=无错误) |
9 | 电源输入 | GND | 表面 |
10 | 电源输入 | 5V | 5.0±5% VDC 电源 (最大 500mA) |
11 | S- | RS232(485) | RX (B) |
12 | S+ | RS232(485) | TX (A) |
订购信息: OSW-1×N-A-B-C-D-E-F-G
N | A | B | C | D | E | F | G |
光纤类型 | 测试波长 | 护套 | 光线长度 | 连接器 | 控制端口 | 尺寸 | |
1 ~ 64 | SM: SM, 9/125 M5: MM50/125 M6: MM62.5/125 Hi:Hi1060 | 850: 850nm 1310: 1310nm 1550: 1550nm 13/15:1310/1550nm XX:othe | 25:250um 90: 900um 20: 2.0mm FA:fiber array | 05: 50±5cm 10: 100±5cm 15: 150±5cm | OO:None FP: FC/PC FA: FC/APC SP: SC/PC SA: SC/APC LP: LC/PC LA: LC/APC ST:ST/PC | 01: TTL+RS232 02:TTL+RS485 03:USB | A:135X40X32 B:135X64X32 |
灵活的架构
