首页
产品
新闻动态
荣誉资质
关于我们
人才招聘
联系我们
返回科毅光通信官网页面头部

TOP

产品中心

PRODUCTS

首页 > 产品中心
机械式1×N光开关 - 广西科毅光通信
机械式1×N光开关
机械式1×N光开关
波长范围:
400~800nm、850~1310nm、1260~1670nm
应用领域:
光网络保护
系统监测
实验室研发
产品特点:
低插入损耗
高稳定性,高可靠性
波长范围宽
产品详情



产品特点

低插入损耗  

高稳定性,高可靠性 

波长范围宽


应用范围

光网络保护

系统监测

实验室研发

 

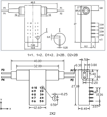
1×1、1×2、D1×2、2×2B、D2×2B 、2X2光开关是新一代全光网络的关键器件,性能处于业界领先水平。 插入损耗低,体积小,可靠性高和稳定性好,在光保护系统、光网络测试与监测系统 中具有广泛应用。

 


 

规格

参数

单位

OSW-1×1、1×2、D1×2、2×2B、D2×2B 、2X2

工作波长

nm

650~1310

1260~1670

测试波长

nm

650/780/850/980/1064/1310

1310/1490/1550/1625/1650

插入损耗

dB

Typ:0.5 ,Max:0.8

回波损耗

dB

≥30

≥50

串扰

dB

≥35

≥55

偏振相关损耗

dB

≤0.05

消光比

dB

≥18

波长相关损耗

dB

≤0.25

温度相关损耗

dB

≤0.25

重复性

dB

≤±0.02

电压

v

3.0 or 5.0

寿命

Cycle

≥107

切换时间

ms

≤8

传输功率

mW

≤500

工作温度

-20~+70

储存温度

-40~+85

重量

g

16

尺寸

mm

(L)27×(W)12.6×(H)8.5(±0.2)


引脚


光路

驱动管脚

监测管脚

 

1

5

6

10

3-4 /7-8

2-3/8-9

锁定

  A

N/A

N/A

GND

V+

OPEN

CLOSE

  B

V+

GND

N/A

N/A

CLOSE

OPEN

非锁定

 

  A

N/A

N/A

N/A

N/A

OPEN

CLOSE

  B

V+

N/A

N/A

GND

CLOSE

1OPEN


 111.png

 电气参数


电压

电流

电阻器

5V  锁定

4.5~5.5

36~44mA

125Ω

5V  非锁定

4.5~5.5

26~32mA

175Ω

3V  锁定

2.7~3.3

54~66mA

50Ω

3V  非锁定

2.7~3.3

39~47mA

70Ω

 

尺寸

22.png 

订购信息: OSW ABCDEFG H

A

B

C

D

E

F

G

H

类型

模式

波长

电压

控制模型

光纤直径

光线长度

连接器

1X1

1X2

2X2B

D1X2

D2X2B

2X2

SM:9/125um

M5: 50/125um

M6: 62.5/125um

85: 850nm

13: 1310nm

14: 1490nm

15: 1550nm

162: 1625nm

165: 1650nm 13/15:1310/1550nm

3: 3V

5: 5V

L: 锁定

N:非锁定

25:250um

90:900um

05:0.5m

10:1.0m

15:1.5m

OO:None

FP: FC/PC

FA:FC/APC

SP: SC/PC

SA:SC/APC

LP: LC/PC

LA:LC/APC


上一个: 机械式1×N光开关 下一个: 5-Bit 磁光固态光延迟线