TOP
首页 > 新闻动态
2025-12-27
一、传统光衰减器结构的局限性
在常见的MZI(马赫-曾德尔干涉)型光衰减器中,通常仅设置单一加热电极回路(如图1所示)。该电极通过电压控制发热,改变光波导的折射率,从而调节光信号的相位与强度,实现衰减功能。

图1:传统单电极回路光衰减器结构示意图
这种结构存在明显隐患:
电极断路即导致整个器件失效;
生产工艺中电极易受损,影响良率;
长期使用中可靠性与寿命受限。
二、多电极并联回路:实现冗余备份与稳定调控
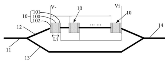
为突破上述限制,科毅光通信在光衰减器的调制光波导上集成至少两个独立电极回路,各回路并联连接,共享同一电压控制线与接地线。这种设计不仅提升了结构的可靠性,也增强了温度调控的均匀性。

图2:上调制光波导设置多电极回路示意图
当某一电极因工艺缺陷或长期使用发生断路时,其他回路仍可正常工作,系统自动切换至备用回路,确保衰减功能不受影响。此外,所有加热电极采用相同电阻值设计,保证各区域受热均匀,避免因温度梯度引起的偏振相关损耗等问题。
三、分区温控与传感器反馈:实现精准衰减调节
为进一步提升控制精度与响应速度,科毅光通信在光衰减器中引入温度传感器,将其邻近布置于调制光波导周围,实时监测波导温度变化。系统根据传感器反馈动态调节电压信号,实现闭环控制。

图3:带温度传感器的多回路光衰减器示意图
在实际应用中,调制光波导可分为多个温控区域,每个区域配备独立传感器与控制电路。例如:
区域A由第一组电极与第一温度传感器控制;
区域B由第二组电极与第二温度传感器控制。
这种分区调控方式,不仅提升了对局部故障的检测能力,还可实现更精细的温度分布管理,尤其适用于高精度光开关与可调衰减场景。
四、科毅光通信的光衰减器调节方法
我司采用的智能调节流程如下:
1. 设定目标温度:根据所需衰减量计算理论温度值;
2. 施加控制电压:驱动加热电极工作;
3. 实时温度采集:通过传感器获取实际波导温度;
4. 偏差判断与调节:若实际温度与目标不符,系统自动调整电压或切换备用回路;
5. 故障定位与报警:支持电极故障检测与预警,提示维护。

图4:光衰减器智能调节流程示意图
该方法大幅提升了器件在复杂环境中的适应性与长期稳定性,特别适用于5G前传、数据中心光交换、长途干线网络等高可靠性应用场景。
五、实际应用优势总结
特性 | 传统单回路设计 | 科毅多回路+温控设计 |
可靠性 | 单点故障易导致失效 | 多回路冗余,支持故障切换 |
工艺良率 | 电极损坏影响大 | 容许局部缺陷,提升生产良率 |
控制精度 | 开环控制,受环境影响大 | 闭环温控,响应快、精度高 |
使用寿命 | 电极老化后性能下降快 | 均衡负载,延长器件寿命 |
适用场景 | 一般衰减应用 | 高可靠光开关、可调衰减系统 |
六、结语
多电极回路设计与智能温控技术,已广泛应用于我司的可调光衰减器、MEMS光开关等产品中,助力客户构建更稳定、更高效的光网络系统。
择合适的光开关等光学器件及光学设备是一项需要综合考量技术、性能、成本和供应商实力的工作。希望本指南能为您提供清晰的思路。我们建议您在明确自身需求后,详细对比关键参数,并优先选择像科毅光通信这样技术扎实、质量可靠、服务专业的合作伙伴。
如果您对磁光开关产品有需求,或想了解更多光通信相关产品信息,访问广西科毅光通信官网www.coreray.cn浏览我们的光开关产品,或联系我们的销售工程师,获取专属的选型建议和报价!
(注:本文部分内容由AI协助习作,仅供参考)