TOP
PRODUCTS
首页 > 产品中心
产品特点
= 8位或更高分辨率
= 非机械,高速
= 锁定型,低功耗
应用范围
= 相位阵天线
= 使用仪器
SSOTD 系列光延迟开关可在长达毫秒的范围内提供可变时延。这是通过选择性地将光信号路由到N个光纤段来实现的,这些光纤段的长度依次增加2个单位。由于每个开关元件允许信号连接或绕过光纤段,因此可以插入一个延迟T,它可以取任何值(以AT为增量)直到极大值。 通过非机械运动来配置光路 ,并通过电气控制信号激活。锁存功能在去除驱动信号后仍能保留选定的光路。固态结构消除了对机械运动和有机材料的需求。该器件旨在满足超高可靠性和快速响应时间的最苛刻的开关要求。
规格
参数 | Unit | SSOTD |
波长 | nm | |
插入损耗 | dB | Typ: 0.8 Max:1.5 |
回波损耗 | dB | >55 |
串扰 | dB | >30 |
切换时间 | uS | <150 |
工作频率 | KHz | 1 |
类型 | 锁定 | |
偏振相关损耗 | dB | 0.25 |
光纤段数 | Loop | <8 |
极化模式色散 | ps | 0.15 |
偏振消光比(保偏光纤) | dB | >22 |
工作温度 | ℃ | -5~+70 |
储存温度 | ℃ | -40~+85 |
重量 | g | 25 |
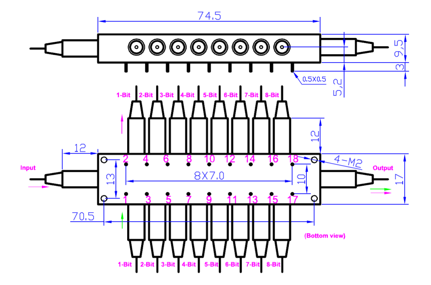
尺寸 | mm | (L)46.8x(W)17x(H)9.5(+0.2)(4Bit) (L)74.5x(W)17x(H)9.5(+0.2)(8Bit) |
*:每组比特的损失
电气参数
参数 | Min. | Typical | Max. | Unit |
开关电压 | 2.3 | 2.5 | 3.3 | V |
开关电流 | 140 | 150 | 160 | mA |
脉冲持续时间 | 0.2 | 0.3 | 0.5 | ms |
引脚 8Bit
Switch Position | Pin Group 1 | Pin Group 2 | Pin Group 3 | Pin Group 4 | Pin Group 5 | Pin Group 6 | Pin Group 7 | Pin Group 8 | Pin Group 9 | |||||||||
Pin 1 | Pin 2 | Pin 3 | Pin 4 | Pin 5 | Pin 6 | Pin 7 | Pin 8 | Pin 9 | Pin 10 | Pin 11 | Pin 12 | Pin 13 | Pin 14 | Pin 15 | Pin 16 | Pin 17 | Pin 18 | |
Bypass | - | + | + | - | + | - | + | - | - | + | + | - | + | - | + | - | - | + |
1-bit | + | - | - | + | + | - | + | - | - | + | + | - | + | - | + | - | -- | + |
2-bit | - | + | - | + | - | + | + | - | - | + | + | - | + | - | + | - | - | + |
3-bit | - | + | + | - | - | + | - | + | - | + | + | - | + | - | + | - | - | + |
4-bit | - | + | + | - | + | - | - | + | + | - | + | - | + | - | + | - | - | + |
5-bit | - | + | + | - | + | - | + | - | + | - | + | - | + | - | + | - | - | + |
6-bit | - | + | + | - | + | - | + | - | - | + | + | - | + | - | + | - | - | + |
7-bit | - | + | + | - | + | - | + | - | - | + | + | - | + | - | - | + | - | + |
8-bit | - | + | + | - | + | - | + | - | - | + | + | - | + | - | - | + | + | - |
尺寸(mm)8Bit

订购信息: SSOTD--A-B-C-D-E-F-G
A | B | C | D | E | F |
模式 | 波长 | 光纤类型 | 光纤直径 | 光纤长度 | 连接器 |
04:4-Bit 05:5-Bit 06:6-Bit 07:7-Bit 08:8-Bit | 13: 1310nm 15:1550nm | SMO9:SMF-28 PM13:PM1310 PM15:PM1550 | 25:50um 90:900um | 05:0.5m 10:1.0m 15:1.5m | oo:None FP:FC/PC FA:FC/APC SP:SC/PC SA:SC/APC LP:LC/PC LA:LC/APC |