TOP
PRODUCTS
首页 > 产品中心
◇产品特性
l低插入损耗
l宽波长范围
l低串扰
l高稳定性、高可靠性
l光路无胶合
l支持锁定与非锁定模式
◇产品特性
l低插入损耗
l宽波长范围
l低串扰
l高稳定性、高可靠性
l光路无胶合
l支持锁定与非锁定模式
◇性能参数
参数 | OSW-1×1 | ||
波长范围 | nm | 650~1310 | 1260~1670 |
测试波长 | nm | 650/780/850/980/1064/1310 | 1310/1490/1550/1625/1650 |
插入损耗 | dB | 典型值:0.6,最大值:1.0 | 典型值:0.5 ,最大值:0.8 |
回波损耗 | dB | ≥35 | ≥50 |
串扰 | dB | ≥40 | ≥50 |
消光比(ER) | dB | >18 | |
偏振相关损耗(PDL) | dB | ≤0.05 | |
波长相关损耗(WDL) | dB | ≤0.25 | |
温度相关损耗(TDL) | dB | ≤0.25 | |
重复性 | dB | ≤±0.02 | |
供电电压 | v | 3.0 or 5.0 | |
使用寿命 | Cycle | ≥107 | |
切换时间 | ms | ≤3 | |
传输功率 | mW | ≤500 | |
工作温度 | ℃ | -40~+85 | |
存储温度 | ℃ | -40~+85 | |
重量 | g | 16 | |
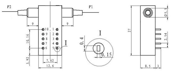
尺寸 | mm | (L)27×(W)12.6×(H)8.5(±0.2) | |
◇尺寸说明

◇引脚定义
光路 | 电驱动接口 | 传感器状态 | |||||
1×1 | 1 | 5 | 6 | 10 | 3-4,7-8 | 2-3,8-9 | |
锁定模式 | P1-/-P2 | +5V | GND | N/A | N/A | 闭合 | 断开 |
P1---P2 | N/A | N/A | GND | +5V | 断开 | 闭合 | |
非锁定模式 | P1-/-P2 | N/A | N/A | N/A | N/A | 闭合 | 断开 |
P1---P2 | N/A | +5V | GND | N/A | 断开 | 闭合 | |
◇电气参数
电压类型 | 电压范围 | 工作电流 | 电阻值 |
5V 锁定模式 | 4.5~5.5 | 36~44mA | 125Ω |
5V 非锁定模式 | 4.5~5.5 | 26~32mA | 175Ω |
3V 锁定模式 | 2.7~3.3 | 54~66mA | 50Ω |
3V 非锁定模式 | 2.7~3.3 | 39~47mA | 70Ω |
◇尺寸

◇订购信息:OSW-1×1-A-B-C-D-E-F-G
A | B | C | D | E | F | G |
光纤模式 | 波长 | 电压 | 控制模式 | 纤径 | 光纤长度 | 连接器 |
P3:PM1300 P4:PM14XX P5:PM1550 | 85: 850nm 13: 1310nm 14: 1490nm 15: 1550nm 162: 1625nm 165: 1650nm 13/15:1310/1550nm | 3: 3V 5: 5V | L:锁定模式N:非锁定模式 | 25:250um 90:900um | 05:0.5m 10:1.0m 15:1.5m | OO:无 FP: FC/PC FA: FC/APC SP: SC/PC SA: SC/APC LP: LC/PC LA: LC/APC |