TOP
PRODUCTS
首页 > 产品中心
应用场景
城域网(MAN)
实验室研发
系统监控
可配置光分插复用器(OADM)
产品特性
低插入损耗
宽波长范围
低串扰
高稳定性与可靠性
光路无胶合设计
支持锁定型与非锁定型
参数 | OSW-4×4 | ||
波长范围 | nm | 850~1310 | 1260~1670 |
测试波长 | nm | 850/980/1064/1310 | 1310/1490/1550/1625/1650 |
插入损耗 | dB | 典型值:1.0, 最大值:1.5 | 典型值:1.2 , 最大值:1.8 |
回波损耗 | dB | ≥30 | ≥50 |
串扰 | dB | ≥35 | ≥55 |
偏振相关损耗 | dB | ≤0.05 | |
波长相关损耗 | dB | ≤0.25 | |
温度相关损耗 | dB | ≤0.25 | |
重复性 | dB | ≤±0.02 | |
电源电压 | v | 3.0 or 5.0 | |
寿命 | 次 | ≥107 | |
切换时间 | ms | ≤8 | |
传输功率 | mW | ≤500 | |
工作温度 | ℃ | -20~+85 | |
存储温度 | ℃ | -40~+85 | |
消光比 | dB | ≥18 | |
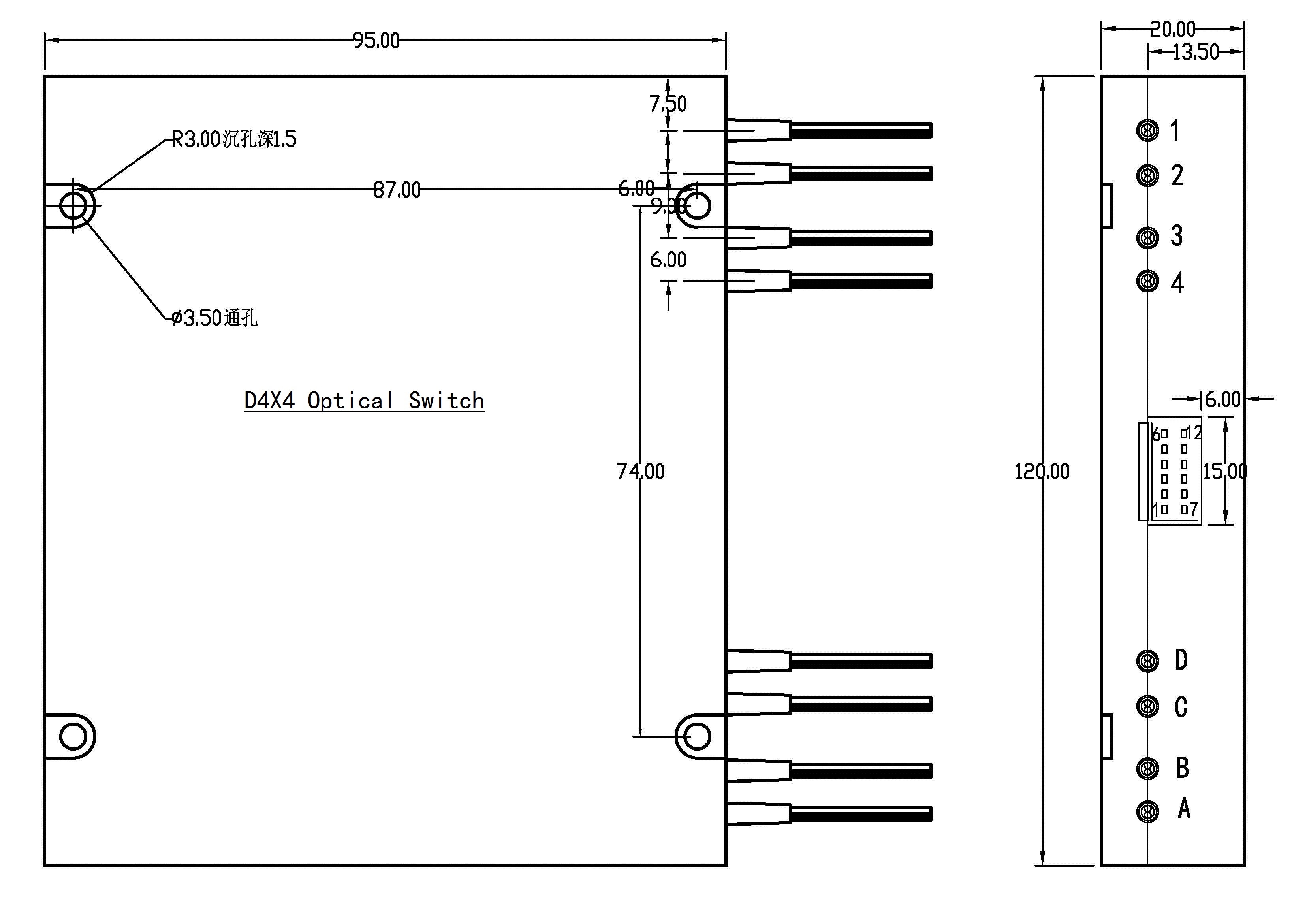
尺寸 | mm | (长)120×(宽)95×(高)20 | |
尺寸图示:

引脚定义:
引脚号 | 类型(I/O) | 名称 | 功能描述 |
1 | 输入 | /RESET | TTL复位信号(低电平有效) |
2 | 输入 | D0 | TTL控制位(D0为低位,D4为高位) 示例:00000b=通道1;11111b=通道32 |
3 | 输入 | D1 | |
4 | 输入 | D2 | |
5 | 输入 | D3 | |
6 | 输入 | D4 | |
7 | 输出 | /READY | TTL就绪信号(高电平=未就绪,低电平=就绪) |
8 | 输出 | ERROR | TTL错误信号(高电平=错误,低电平=正常) |
9 | 电源输入 | GND | 接地 |
10 | 电源输入 | 5V | 5.0±5% VDC电源(最大电流500mA) |
11 | 串口负端 | RS232 | 接收端(B) |
12 | 串口正端 | RS232 | 发送端(A) |
TTL控制逻辑表:
状态编号 | /RESET | D4 | D3 | D2 | D1 | D0 | 4X4 | |||
复位 | 0 | X | X | X | X | X | A-1 | B-2 | C-3 | D-4 |
状态1 | 1 | 0 | 0 | 0 | 0 | 0 | A-1 | B-2 | C-3 | D-4 |
状态2 | 1 | 0 | 0 | 0 | 0 | 1 | C-4 | D-3 | ||
状态3 | 1 | 0 | 0 | 0 | 1 | 0 | B-3 | C-2 | D-4 | |
状态4 | 1 | 0 | 0 | 0 | 1 | 1 | C-4 | D-2 | ||
状态5 | 1 | 0 | 0 | 1 | 0 | 0 | B-4 | C-2 | D-3 | |
状态6 | 1 | 0 | 0 | 1 | 0 | 1 | C-3 | D-2 | ||
状态7 | 1 | 0 | 0 | 1 | 1 | 0 | A-2 | B-1 | C-3 | D-4 |
状态8 | 1 | 0 | 0 | 1 | 1 | 1 | C-4 | D-3 | ||
状态9 | 1 | 0 | 1 | 0 | 0 | 0 | B-3 | C-1 | D-4 | |
状态10 | 1 | 0 | 1 | 0 | 0 | 1 | C-4 | D-1 | ||
状态11 | 1 | 0 | 1 | 0 | 1 | 0 | B-4 | C-1 | D-3 | |
状态12 | 1 | 0 | 1 | 0 | 1 | 1 | C-3 | D-1 | ||
状态13 | 1 | 0 | 1 | 1 | 0 | 0 | A-3 | B-1 | C-2 | D-4 |
状态14 | 1 | 0 | 1 | 1 | 0 | 1 | C-4 | D-2 | ||
状态15 | 1 | 0 | 1 | 1 | 1 | 0 | B-2 | C-1 | D-4 | |
状态16 | 1 | 0 | 1 | 1 | 1 | 1 | C-4 | D-1 | ||
状态17 | 1 | 1 | 0 | 0 | 0 | 0 | B-4 | C-1 | D-2 | |
状态18 | 1 | 1 | 0 | 0 | 0 | 1 | C-2 | D-1 | ||
状态19 | 1 | 1 | 0 | 0 | 1 | 0 | A-4
| B-1 | C-2 | D-3 |
状态20 | 1 | 1 | 0 | 0 | 1 | 1 | C-3 | D-2 | ||
状态21 | 1 | 1 | 0 | 1 | 0 | 0 | B-2 | C-1 | D-3 | |
状态22 | 1 | 1 | 0 | 1 | 0 | 1 | C-3 | D-1 | ||
状态23 | 1 | 1 | 0 | 1 | 1 | 0 | B-3 | C-1 | D-2 | |
状态24 | 1 | 1 | 0 | 1 | 1 | 1 | C-2 | D-1 | ||
注意:禁止为两个输入同时选择同一输出!此类指令非法。
订购信息: OSW- A-B-C-D-E-F-G
A | B | C | D | E | F | G |
模式 | 波长 | 控制类型 | 纤芯直径 | 光纤长度 | 连接器 | |
2X4 3X4 4X4 D2X4 D3X4 D4X4 | SM: 单模,9/125um M5: 多模,50/125um M6: 多模,62.5/125um | 85: 850nm 13: 1310nm 14: 1490nm 15: 1550nm 162: 1625nm 165: 1650nm 13/15:1310/1550nm X:其他波长 | L:锁定型 N:非锁定型 | 25:250um 90:900um; 20:2.0mm X: 其他 | 05:0.5m 10:1.0m X: 其他 | OO: 无 FP: FC/PC FA: FC/APC SP: SC/PC SA: SC/APC SP: ST/PC SA: ST/APC LP: LC/PC LA: LC/APC X: 其他 |