TOP
PRODUCTS
首页 > 产品中心
本产品为D1×2多模光纤开关,专为高速数据中心、通信测试及光网络管理系统设计。该产品采用50/125μm多模光纤,工作波长850nm,3V锁定驱动技术,支持0.9mm套管与0.5米尾纤长度,LC/PC连接头配置,实现低损耗、高可靠性的光路切换,助力客户提升网络效率与稳定性。
l 超低插入损耗:典型值0.8dB(行业平均1.2dB),减少信号衰减,提升传输质量
l 高回波损耗:≥35dB(行业标准≥30dB),有效抑制信号反射干扰
l 3V锁定控制:无需持续供电,切换后自动锁定,节能30%以上
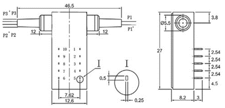
l 紧凑型设计:27×12×8.2mm超小体积,轻松适配密集机柜环境
l 宽温工作范围:-20℃~70℃(温度循环-40℃~85℃/48Hr),适应严苛工业场景
l 数据中心光路切换:服务器集群快速切换,提升业务连续性
l 光通信测试设备:高精度信号切换,降低测试误码率
l 工业光网络管理:适应-20℃~70℃环境,保障工业控制稳定性
l 5G前传网络:850nm波长适配短距离高速传输需求
本产品属于机械式光开关,其工作原理类似于一个为光信号服务的“智能轨道扳道器”。
核心过程如下:输入的光信号首先被准直器转换为空间传播的平行光束。当外部施加一个短暂的3V脉冲电信号时,内部的微型继电器被激活,驱动机械装置(如弹臂)推动光学棱镜发生精确位移。
棱镜的位置决定了光路的走向:
移至位置A时,光束被反射至输出端口1。
移至位置B时,光束则被导向输出端口2。
最关键的是,本产品采用“锁定型”设计。脉冲结束后,机械结构会自动锁定在切换后的位置,无需持续通电即可保持光路状态,具有节能、稳定、抗干扰的突出优点。
简言之,它通过电信号控制机械位移,实现光路的物理切换与自锁,是光网络中进行可靠路径选择的理想部件。
Optical Performance/光学性能 | Specification | ||
Operation Wavelength/工作波长 | nm | 850.00 | |
Insertion Loss/插入损耗 | Typ | dB | 0.80 |
Return Loss/回波损耗 | min | dB | 35 |
Cross-talk/串扰 | min | dB | 35 |
Switch Mode/控制方式 | Latching | ||
Power supply/驱动电压 | V | 3 | |
Fiber Type/光纤类型 | 50/125/900 | ||
Dimensions/尺寸 | mm | 27X12X8.2 | |
Operating Temperature/工作温度 | oC | -20~70 | |
Temperature Cycling(Temperature Range/Cycles)/温度循环 | C / Hr | -40℃ to +85℃/48Hr | |
Data Document Preparation/数据文档制备 | Specification | ||
Individual Test Data Sheet Format/单独测试数据单格式 | Hardcopy | 中性 | |
Electronic Media Test Data File Format/电子媒介测试文件格式 | MS-Word | 中性 | |
RoHS Required/是否需要过RoHS | Yes/No | No | |
Pigtail Type/尾纤类型 | 0.9 | ||
Pigtail Length/尾纤长度 | 0.5 | ||
Pigtail Mark Method/尾纤标识方法 | 尾纤颜色 | P1/1,白色套管;P2/2,蓝色套管;P3/3红色套 | |
Connector Type/连接头类型 | LC/PC | ||
