TOP
PRODUCTS
首页 > 产品中心
工作波长:425-900nm光纤类型:多模 200/220um光路:1分 2
输入端口:0.9mm 护套长度>80cm sma 接口
输出二端口:3mm 外 pvc内铠护套光纤 FC/PC 接口,长度1.5m
产品参数:
光学性能 | Specification | ||
工作波长 | nm | 400-900 | |
插入损耗 | Typ | dB | 1.00 |
偏振相关损耗 | max | dB | 0.10 |
波长相关损耗 | max | dB | 0.50 |
温度相关损耗 | max | dB | 0.30 |
重复性 | max | dB | 0.10 |
回波损耗 | min | dB | 30 |
串扰 | min | dB | 60 |
使用寿命 | 10 9 | ||
开关时间 | ms | 12 | |
传输光功率 | max | mw | 2000 |
控制方式 | RS232 | ||
驱动电压 | V | 5 | |
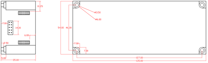
尺寸 | mm | 135X54X35 | |
工作温度 | oC | -20~70 | |
储存温度 | oC | -40~85 | |
烘烤(温度/持续时间) | C / Hr | +85℃/48Hr | |
温度循环 | C / Hr | -40℃ to +85℃/48Hr | |
外包装尺寸 | mm | 345x285x72 | |
产品尺寸图:
